GLA Glieder-Absaugarm
Dieser Absaugarm ist als selbsttragender Absaugarm mit außen liegenden Gelenken konzipiert.
Folgende Merkmale sind für unseren Absaugarme kennzeichnend:
- Durch die Mehrgliedrigkeit sehr beweglich (9 Achsen)
- außen liegende Befestigungsteile (dadurch wird der Luftstrom nicht behindert, optimale Reinigungsmöglichkeit)
- dadurch auch geringere Verschmutzung
- leichtgängige Positionierung durch wartungsfreie Gasfedern.
- selbsttragender Absaugarm.
- wartungsfrei.
- sehr großer Erfassungsbereich aufgrund durchdachter Gelenkkonstruktion
- kostengünstig.
Zum Öffnen der Animation bitte darauf klicken
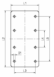
Alle Maße in mm
Art.Nr. | Nennweite | L1 | L2 | L3 | L4 | L5 | L6 | L7 | L8 |
GLA xxx/4500 | 4500 | 102 | 930 | 310 | 930 | 310 | 995 | 780 | 155 |
GLA xxx/5400 | 5400 | 102 | 930 | 310 | 930 | 310 | 995 | 1630 | 155 |
L1 | L2 | L3 | L4 | L5 | D1 |
200 | 400 | 150 | 120 | 320 | 13 |
Farbe: RAL 5002



